江苏大学京江学院能动专业水泵运行控制实验台
招 标 公 告(二次)
江苏大学因教学科研需要,拟购置如下仪器设备,经费已经落实到位,现欢迎符合相关条件的供应商参加投标。
本次招标信息如下:
1、 招 标 编 号:JSDXZBCG-28
招标项目名称:江苏大学京江学院能动专业定制2台套水泵运行控制实验台
1.1、 资格审查方式:资格预审。
1.2、 资格审查时间:2018年6月 13 日 10 时00 分,潜在投标人提前15分钟到达现场。
1.3、 资格审查地点:江苏大学行政2号楼302室。
2、 申请人应具备的必要资格条件
2.1、 符合国家相关法律及江苏大学招投标管理办法等的规定;
2.2、 具有独立订立合同的能力且信誉良好;
2.3、 具有本次招标货物的供货、安装、售后服务等的成功经验和相应能力;
2.4、 本次采购接受进口产品投标;
2.5、 本次采购不接受联合体投标。
3、 资格审查时潜在投标人需提供的材料(复印件均需加盖公章):
3.1、 法人代表授权委托书原件(格式见附件二);
3.2、 法人代表身份证复印件;
3.3、 被授权代表人本人身份证复印件,查看原件;
3.4、 企业营业执照副本复印件(需加盖公章);
3.5、 提供投标人2016年1月1日以来同类项目销售业绩清单及业绩合同复印件2份(原件备查)。
3.6、 软件开发单位开发的离心泵试验软件已获得国家版权局授予的计算机软件著作权(复印件加盖公章)。
4、 招标文件获取及售价:
4.1、 资格审查合格单位数量达3家及以上的,当场发放招标文件;资格审查合格单位数量小于3家的,招标人不发放招标文件,重新组织招标;重新招标失败的按相关规定执行;
4.2、 招标文件售价:人民币200元,发放招标文件时交纳。售后不退。
5、 投标确认:
5.1、 资格审查合格的潜在投标人在领取招标文件时,当场确认是否参加投标,并填写“供应商参与投标确认函”(格式见附件三),法人授权代表签字确认后有效;
5.2、 如潜在投标人未按上述要求操作或不履行承诺,将自行承担所产生的风险。
6、 投标截止时间及开标时间、开标地点:详见招标文件。
7、 与本次招标有关的事宜请按下列通讯方式联系:
7.1、 技术咨询:江苏大学能动学院 赵老师 13862451895
7.2、 商务咨询:
7.2.1、 江苏大学实验室与设备管理处 杨老师 0511-88797345
7.2.2、 江苏大学采购与招标办公室 徐老师 0511-88790072
7.3、 联系地址:江苏省镇江市学府路301号行政2号楼3楼302室
7.4、 Email:ycl@ujs.edu.cn.
江苏大学采购与招标办公室
2018年6月8日
附件一、
水泵运行控制实验台技术参数

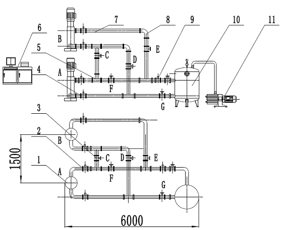
水泵运行实验台示意图
1-不锈钢立式多级泵;2-出口压力变送器;3-阀门;4-进口压力变送器;5-三通;6-控制测试系统;7-管道;8-弯头;9-流量仪;10-压力罐;11-真空泵
水泵运行控制实验台参数要求
水泵:贰台,CDLF4-4不锈钢立式泵,品牌:南方中金股份公司。
不锈钢管路阀门、弯头等:壹套,泵的进口主管道DN50,出口主管道DN40,泵的分支管路为DN32。
不锈钢压力容器(立式):一台,D≥800mm,V≥0.6m3,耐压1.6Mpa。
压力变送器:肆只, 与泵进出口压力匹配,0.2级精度,品牌:开封仪表厂。
电磁流量仪:一只,与泵的流量匹配,0.5级精度,品牌:开封仪表厂。
工控机:一台,EC0-1816V2NA(B)-6COM/I5-2400/4G内存/500G硬盘,品牌:研祥。
PLC控制器:一台,输入输出端子≥20,可扩展,品牌:西门子型号S7-200 smart。
触摸屏:一台,6英寸,品牌:欧菱 。
变频器:一台,功率3kw,可变频率范围1-50hz,品牌:施耐德。
真空泵:一台,水环式真空泵,极限压力:4700Pa,最大抽速:1.33m3/min。
离心泵试验软件:软件开发单位为山东省农业机械科学研究院或者其他软件开发单位开发的离心泵试验软件已获得国家版权局授予的计算机软件著作权。
可实现水泵的性能实验、气蚀实验、串并联运行实验、水泵变频恒压实验、水泵变流变压实验。
系统图管路的平面布置尺寸,长宽6000*2000,投标单位在投标文件中需提供完整的实验台设计图等系统设计方案。
附件二:
法人代表授权委托书
(投标单位全称)__________________________法定代表人(姓名)____________授权(全权代表姓名)____________为全权代表,参加贵单位组织的(项目名称)___________________________项目的投标,招标编号为________________,其在招标中的一切活动本单位均予承认。
法定代表人签字:______________
单位公章:
二0一八年______月______日
全权代表姓名:_________________________________________
职 务:_________________________________________
详细通讯地址:_________________________________________
传 真:_________________________________________
电 话:_________________________________________
手 机:_________________________________________
邮 箱:_________________________________________
邮 编:_________________________________________
附件三:
供应商参与投标确认函
江苏大学实验室与设备管理处:
本单位自愿参加招标编号为 、招标项目名称为 项目的投标,在获得招标文件后,按贵方投标文件要求交纳相应费用,并保证准时参加投标,特此确认。
授权代表姓名:
联系电话:
手机号码:
单位名称(公章):
年 月 日
注意事项
1、供应商如确定参加资格审查及参加投标,请填写本函,参与资格审查时一并带(或寄)来,如果不能现场参加资格审查,请于招标公告资格审查截止时间的前一天下午5:00前,按本招标公告的联系方式,将《供应商参与投标确认函》送(或寄)达江苏大学实验室与设备管理处。
2、确认参与的投标单位故意缺席投标的,招标人有权保留拒绝以后一段时间内参与我校仪器设备招投标商务活动的权利。
江苏大学实验室与设备管理处联系方式:
联系电话:0511-88797345 联系人:杨春犁
邮箱:ycl@ujs.edu.cn